产品介绍
我司采用先进的控制系统设计理念。优势体现在Pulsar控制器,智能节点概念,光缆传输数据,DSP实时控制,传感器实时标定,误差监控,流程编辑,强大的二次开发功能和极大的升级空间等。
Pulsar硬件系统的特点如下:
我司提供的Pulsar控制器,在获得英国政府研究开发计划资助而开发,不但控制功能强大,而且系统可扩展性等更具特色。该系统基于革命性的I/O系统,采用分布式光缆技术,基于上一代控制器DCS2000风靡10余年的成功基础上,Pulsar控制系统提供了一个功能强大,可靠、灵活的控制解决方案。一个控制器可最多单独控制12个通道,即12个单独的作动器。
基于.net理念的系统控制软件设计,基于C#以及MATLAB软件进行编程,提供功能强大的系统控制软件,试验分析软件等等。其中如Ezflow流程编辑器,Socket等控制软件包,更是体现了SERVOTEST软件的特色。
可视化的配置编辑 SERVOTEST EzFLOW流程编辑器软件使用了拖拽技术,可使用户直观的配置试验系统和流程。
直观的图形用户接口 创新的用户接口使用了全新的交互式设计中的引导技术,使用户更容易操作。软件的设计充分考虑了不同试验人员的需要,可以根据用户的使用习惯,对界面进行任意的配置。进而提高试验效率。
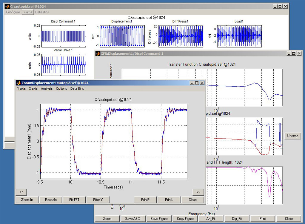
先进的迭代控制软件 ICS迭代分析软件,不但在操作上采用了向导方式来引导用户进行迭代试验,从而简单易懂,容易操作,更在迭代精度和收敛次数上有了进一步提高。
强大的二次开发能力 系统针对不同的用户提供两种二次开发用的软件。针对普通用户,提供EzFLOW流程编辑器软件。普通工程师便可以根据自己的试验需要,将试验条件、试验流程进行编辑,通过语法检查正确后,在试验设备上运行。高端用户可以通过Socket插口软件进行二次开发。该软件基于MATLAB开发,用户可将用Simulink建立的模型通过Socket软件集成到系统中来,通过虚实结合,实现用户的试验目的。
完善的数据采集系统 试验中最重要的部分是采集合理而且有效的数据,根据数据分析得到试件的各种性能。Pulsar控制软件包含了各种不同的数据采集功能模块。
